Akai GX600DB gaat na ongeveer 10 a' 15 minuten langzaam draaien. (Gezocht)

door A. Ouwehand @, Amersfoort, 17-12-2025, 17:32 (2 uur en 59 minuten geleden)

Akai GX600DB bandrecorder gaat na ongeveer 10 a' 15 minuten langzaam draaien.
Nu heb ik deze beker elco gevonden, welke behoorlijk lek lijkt te zijn.
Zie de smurrie.
Na ongeveer 10 a' 15 minuten gaat de elco ook warm worden, maar niet heet.
Nu zoek ik een vervangend exemplaar.
De doorsnee moet 3 cm zijn, en als het mogelijk is 7 cm lang, maar mag korter zijn.
Zie de waarden op de foto's.
Wie kan mij aan een goed exemplaar helpen, of waar deze te verkrijgen is ?
[image]
[image]

--
A. Ouwehand
Tony Ouwehand

Akai GX600DB gaat na ongeveer 10 a' 15 minuten langzaam draaien.

door Goldline @, Oranjedorp, 17-12-2025, 18:19 (2 uur en 12 minuten geleden) @ A. Ouwehand
Gewijzigd door Goldline, 17-12-2025, 18:21

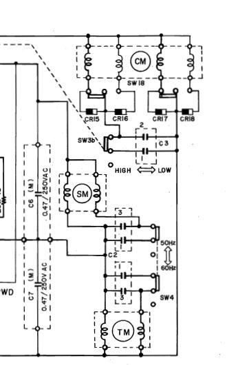
Tony, dit is de motorcondensator ,vermoedelijk wordt die 1 uF met een schakelaar op 50HZ stand
parallel aan de 2uF verbonden.
Dus een standaard motor c van 3uF/275Vac zou voldoen.
[image]

--
Cees PA1DBA

Akai GX600DB gaat na ongeveer 10 a' 15 minuten langzaam draaien.

door Otto @, Drenthe, 17-12-2025, 18:29 (2 uur en 2 minuten geleden) @ Goldline

Tony, dit is de motorcondensator ,vermoedelijk wordt die 1 uF met een schakelaar op 50HZ stand
parallel aan de 2uF verbonden.

Hallo Cees, het kan ook zijn dat de ene dienst doet als startcondenstator. Zodra de motor loopt wordt die afgeschakeld. Op die manier heb je voldoende koppel om vanuit stilstand op gang te komen.

--
Ohm sweet Ohm...
[image]

Akai GX600DB gaat na ongeveer 10 a' 15 minuten langzaam draaien.

door Otto @, Drenthe, 17-12-2025, 18:20 (2 uur en 11 minuten geleden) @ A. Ouwehand

Akai GX600DB bandrecorder gaat na ongeveer 10 a' 15 minuten langzaam draaien.
Nu heb ik deze beker elco gevonden, welke behoorlijk lek lijkt te zijn.

Dit is geen elco maar een motorcondensator. Zal lastig worden om er eentje te vinden met dubbele functie. Probeer toch eens of twee enkele van 1 resp. 2 uF passen, al was het om te testen.

Otto

--
Ohm sweet Ohm...
[image]

Akai GX600DB gaat na ongeveer 10 a' 15 minuten langzaam draaien.

door Goldline @, Oranjedorp, 17-12-2025, 18:26 (2 uur en 6 minuten geleden) @ Otto
Gewijzigd door Goldline, 17-12-2025, 18:31

Op 50 HZ is de C van de capstan motor 3u en op 60HZ slechts 2u

[image]

--
Cees PA1DBA

Akai GX600DB gaat na ongeveer 10 a' 15 minuten langzaam draaien.

door Otto @, Drenthe, 17-12-2025, 18:31 (2 uur en 0 minuten geleden) @ Goldline

Oké, duidelijk...

--
Ohm sweet Ohm...
[image]

Akai GX600DB gaat na ongeveer 10 a' 15 minuten langzaam draaien.

door Goldline @, Oranjedorp, 17-12-2025, 18:34 (1 uur en 57 minuten geleden) @ A. Ouwehand

Dan kan je ook beter de 2 c's van de spoelmotoren vervangen, deze zijn 4u

--
Cees PA1DBA

powered by my little forum