De LDL1002 gereed en een vraag aanpassen VCR-sync (Algemeen)
door Erik
, 01-01-2026, 16:28 (105 dagen geleden)
Gewijzigd door Erik, 01-01-2026, 17:12
Allereerst de beste wensen voor 2026.
De eerste dag van het jaar besteed aan het afronden van de restauratie van een LDL1002 VCR.
Samen met een passende TV maakt het toch wel een mooi plaatje:
https://www.youtube.com/watch?v=O8zjBHKEohs
Wel vindt het synchronisatie circuit van de TV de minder strakke timing van de video-sync niet prettig (op een modernere TV is het beeld rock-stabiel).
Wat mij op de vraag brengt, we weet hoe je bij de de X20T682 de tijdbasis aangepast voor VCR gebruik?
De LDL1002 gereed en een vraag aanpassen VCR-sync
door soundman2
, Wouw, 01-01-2026, 16:46 (105 dagen geleden) @ Erik
Gewijzigd door soundman2, 01-01-2026, 17:05
Allereerst de beste wensen voor 2026.
De eerste dag van het jaar besteed aan het afronden van de restauratie van een LDL1002 VCR.
Samen met een passende TV maakt het toch wel een mooi plaatje:https://www.youtube.com/watch?v=0Bmi17d1fxE
Wel vindt het synchronisatie circuit van de TV de minder strakke timing van de video-sync niet prettig (op een modernere TV is het beeld rock-stabiel).
Wat mij op de vraag brengt, we weet hoe je bij de de X20T682 de tijdbasis aangepast worden voor VCR gebruik?e
Ik ken de TV niet. maar de eerste toestellen in het vcr tijd hadden wel een paar voorbereidingen.
De hoogste drukknop voor de zederkeuze schakelde het toestel om naar snellere sync.
In het toestel zat een printconnector waarin een LDR module paste. Deze module kon er bij gekocht worden, maar waren snel op. Op de plug op de print konden twee doorvebindingen worden gesoldeerd en dan waren alle druktoetsen geschikt voor VCR. Ik meen van de vier contacten 1+3 en 2+4
De LDL1002 gereed en een vraag aanpassen VCR-sync
door Erik
, 01-01-2026, 17:24 (105 dagen geleden) @ soundman2
Hoi,
De X20T862 is een hybride chassis (buizen, Transistoren en een IC)
De sync wordt gedaan door het IC, een N1610M
![[image]](images/uploaded/2026010116225869569f62b7d29.png)
Maar enige gegevens heb ik niet kunnen vinden van dit IC
De LDL1002 gereed en een vraag aanpassen VCR-sync
door soundman2
, Wouw, 01-01-2026, 17:35 (105 dagen geleden) @ Erik
Dat er een 161OM in zat vermoedde ik al. het was de eerste geïntegreerde syncprocessor bij Philips. Later kreeg dat IC naar ik meen nog een TBA....nummer.
Bij trucs en tips vind je er ook nog wat over.
https://kraltp.home.xs4all.nl/Tips-en-trucs/televisie/#video
er is een lijst geweest waarin gegevens om de boel aan te paasen, die heb ik niet meer.
De LDL1002 gereed en een vraag aanpassen VCR-sync
door Maarten Bakker
, Haarlem/Delft, 01-01-2026, 19:05 (105 dagen geleden) @ Erik
N161OM = Philips Nederland's 161ste IC-ontwerp, dus een intern Philipsnummer van voordat er een Pro-Electron nummer aan toegewezen was. Vanaf een latere masker-revisie heet ditzelfde IC TBA240. Data komen vrijwel helemaal overeen.
De LDL1002 gereed en een vraag aanpassen VCR-sync
door kris
, Gent, België, 02-01-2026, 01:21 (104 dagen geleden) @ soundman2
Gewijzigd door kris, 02-01-2026, 01:34
zoals Maarten al aangaf..In een iets modernere versie met dezelfde schakeling wordt het IC benoemd als TBA240.
.
de modicatie van de bladen van Maurice passen de tijdsconstante van het circuit aan, om met syncjitter beter overweg te kunnen. (benieuwd of het hier helpt).
Over je beeldfragment.. ontwaar ik daar nu Corrie met haar Rekels?
De LDL1002 gereed en een vraag aanpassen VCR-sync
door Erik
, 02-01-2026, 18:16 (104 dagen geleden) @ kris
Over je beeldfragment.. ontwaar ik daar nu Corrie met haar Rekels?
Ja dat klopt, een gedeeltelijke opname op een stuk van de originele tape die nog speelbaar is.
90% van deze tape heb ik weg moeten doen omdat bij het spoelen de oxide er al vanaf vloog.
Wat er overbleef kon je doorheen kijken
De opname zelf blijkt niet zeldzaam, ik heb hem ook (in kleur) op Youtube terug gevonden.
De LDL1002 gereed en een vraag aanpassen VCR-sync
door Maurice
, Dordrecht, 01-01-2026, 18:55 (105 dagen geleden) @ Erik
Als ik chassis weet heb ik de aanpassing
De LDL1002 gereed en een vraag aanpassen VCR-sync
door RenéDaemen
, Zaanstreek, 01-01-2026, 19:01 (105 dagen geleden) @ Maurice
Maurice
Een F6 chassis enigste toestel met buis transistor en ic
Grt René
De LDL1002 gereed en een vraag aanpassen VCR-sync
door Maarten Bakker
, Haarlem/Delft, 01-01-2026, 19:02 (105 dagen geleden) @ Maurice
F6
De servicebulletin die de aanpassingen voor een hele reeks chassis geeft, zwerft ook ergens rond. Heb al even in de schematheek van het forum gezocht, maar daar heb ik hem kennelijk nooit bijgezet.
De LDL1002 gereed en een vraag aanpassen VCR-sync
door Maurice
, Dordrecht, 01-01-2026, 22:52 (104 dagen geleden) @ Maarten Bakker
Maarten,
zie je email , ik heb je het document door gezet.
email "robuust..."
Is eigen scan wat in mijn TV documenten map zat.
Zet maar in je schematheek.
De LDL1002 gereed en een vraag aanpassen VCR-sync
door Maarten Bakker
, Haarlem/Delft, 03-01-2026, 22:36 (102 dagen geleden) @ Maurice
Hartelijk dank Maurice!
Het document is nu te vinden in de schematheek van het forum, directe link http://www.radiodatabase.nl/schematheek/VCR-Aanpassing-TVs.pdf
De LDL1002 gereed en een vraag aanpassen VCR-sync
door Maurice
, Dordrecht, 01-01-2026, 22:40 (104 dagen geleden) @ Erik
Gewijzigd door Maurice, 01-01-2026, 22:42
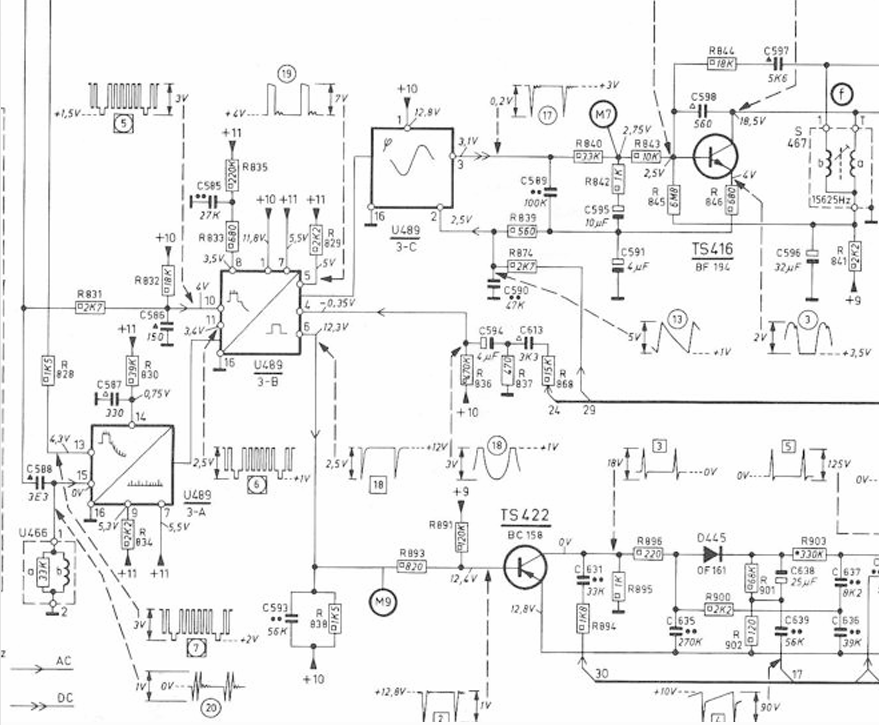
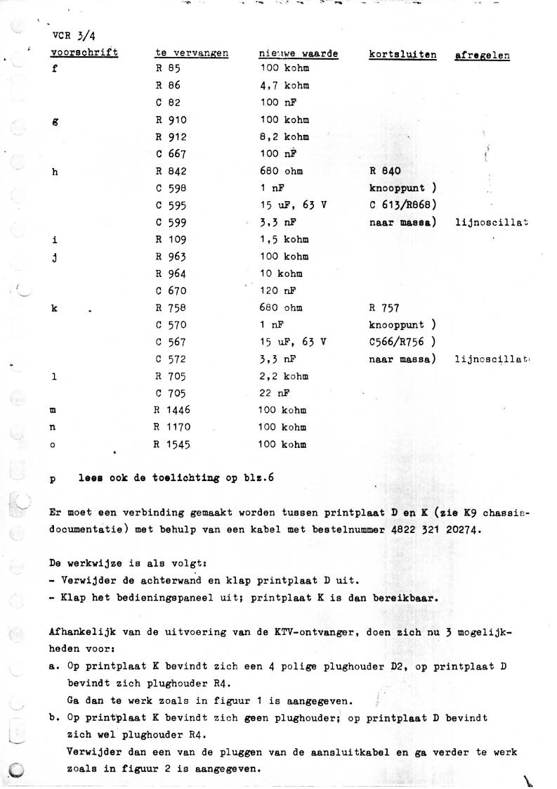
F6 dan is dat wijziging "h"
Dit is de oudere aanpassing
Beter is denk ik pagina 3 en 4 volgen.
Ik dacht dat ik hele document ook op NVHR-SChematheek ooit had gezet,
![[image]](images/uploaded/202601012134406956e8705e4c5.jpg)
![[image]](images/uploaded/202601012135216956e8999cd29.jpg)
Vernieuwde methode: (vergeet 1e alinea tekst , gaat over wat anders,
kijk bij F6 in de tabel!
![[image]](images/uploaded/202601012138436956e96328405.jpg)
![[image]](images/uploaded/202601012139256956e98d8324f.jpg)
De LDL1002 gereed en een vraag aanpassen VCR-sync
door Maurice
, Dordrecht, 01-01-2026, 22:47 (104 dagen geleden) @ Erik
Leuk Erik dat de LDL1002 het al doet bij jouw.
Die van mij is nog niet lekker.
Heb wel een wrak van een LDL1000, hopelijk is de videokop nog beetje wat.
Geeft mooi beeldje en je recorder ziet er netjes uit.
Is toch leuk zo'n oude recorder.
De LDL1002 gereed en een vraag aanpassen VCR-sync
door Erik
, 01-01-2026, 23:20 (104 dagen geleden) @ Maurice
Gewijzigd door Erik, 01-01-2026, 23:25
Hoi Maurice,
Ja, de recorder speelt nu erg netjes.
Het hele mechanisme is uit elkaar geweest en gereinigd en voorzien van nieuwe smering.
Het was een grote vastgeplakte prut geworden.
Het metertje voor het instellen van het video-level bij opname blijft wel hangen, dus de juiste instelling bij opname is nu wat gokken.
Hopelijk wil jouw exemplaar ook nog goedkomen.
Bedankt voor de tabel met ombouw instructies voor het F6 chassis, morgen eens ombouwen en zien of het beeld strakker wil worden.
Grtz,
Erik
De LDL1002 gereed en een vraag aanpassen VCR-sync
door Erik
, 03-01-2026, 14:21 (103 dagen geleden) @ Erik
Na het aanpassen van het sync-circuit in de TV is het beeld mooi gestoken en stabiel.
Voor de geïnteresseerde een video`tje ervan:
https://www.youtube.com/watch?v=itQNQTNWCJw&t=5s
Ik vindt het een mooi setje zo
Maurice en Rene, bedankt voor jullie hulp met de ombouw info
Grtz,
Erik
De LDL1002 gereed en een vraag aanpassen VCR-sync
door BenM
, Bunschoten, 03-01-2026, 16:00 (103 dagen geleden) @ Erik
Ik vindt het een mooi setje zo![]()
Gefeliciteerd met dit prachtige setje, Erik. En met video's van Marianne Faithfulj en (eerder) Corry Konings lijkt het me een genot om naar te kijken. Mijn complimenten!
--
Met vriendelijke groeten,
Ben
De LDL1002 gereed en een vraag aanpassen VCR-sync
door Goldline
, Oranjedorp, 03-01-2026, 19:04 (103 dagen geleden) @ Erik
Mooi resultaat Erik !
--
Cees PA1DBA