Schakelvoeding (Toestel of techniek)
door doktordirk
, Noordbeemster, 21-04-2026, 16:52 (25 dagen geleden)
Ik heb hier een probleempje met een schakelende voeding.
Ben begonnen met een electroliet te vervangen (volgens sommigen ALTIJD! het probleem).
Hier niet dus.
Vervolgens meerdere onderdelen los gehad en gecontroleerd, geen reactie.
Het schakel ic (SPH690) die de print aardig gebakken had vervangen door een alternatief.
Een TDA4605-3 en een BUZ90A als vervanger geplaatst, hier was op de print op gerekend.
Ook hier mee werkt er niets, de voltages en oscillogrammen zullen alleen van toepassing zijn als de schakeling wel werkt.
![[image]](images/uploaded/2026042114462169e78dbd1ef2d.jpg)
Wat zie ik over het hoofd dat deze eenvoudige schakeling niet werkt zoals bedoeld?
Dit is de huidige situatie van de wat gefrituurde print (nog niet verkoold wat uiteraard ook storingen zou kunnen geven)
![[image]](images/uploaded/2026042114511669e78ee47baef.jpg)
Dirk.
Schakelvoeding
door soundman2
, Wouw, 21-04-2026, 17:15 (25 dagen geleden) @ doktordirk
Gewijzigd door soundman2, 21-04-2026, 17:24
Zijn de primaire en secundaire (met de optcocoupler) regelcircuits in orde?
Die beslissen mede of het ic werkt of niet, zoals bij overbelasting.
Verder kan de winding van de switchmode trafo beschadigd zijn of windingsluiting hebben.
Dergelijke voedingen is echt wat anders als zo'n energievernietigend lineair voedinkje.
Het schema mag er dan "eenvoudig" uitzien. maar om de voeding te repareren moet je echt goed de werking kennen.
Van het ic SPH690 heb ik geen datasheet kunnen vinden.
Schakelvoeding
door doktordirk
, Noordbeemster, 21-04-2026, 18:21 (25 dagen geleden) @ soundman2
Sorry, mijn fout, ben een 4'tje vergeten.
Dit is het schema met de SPH4690
![[image]](images/uploaded/2026042116151969e7a2975d0f1.jpg)
De opto scheiding werkt, bij verhogen van de 5 volt lijn wordt ook de uitgang van de transistor hoger (om een te hoge uitgangsspanning weer te verlagen??)
Het lijkt me sterk dat ik 2 defecte ic's van HAJE heb gekregen, een prima leverancier overigens.
Dirk.
Schakelvoeding
door Goldline
, Oranjedorp, 21-04-2026, 18:13 (25 dagen geleden) @ doktordirk
Hoi Dirk ,
Om op te starten zijn de 2 weerstanden van 33k van belang om de eerste zet te geven, om de 11,5 v te maken, daarna neemt de trafo het over.
Controleer ook de secundaire dioden op sluiting.
Succes!
--
Cees PA1DBA
Schakelvoeding
door doktordirk
, Noordbeemster, 21-04-2026, 18:38 (25 dagen geleden) @ Goldline
Op dat punt heb ik nu 6.7 volt.
Op de optokopler staat een lager voltage dan op pin 6 van het ic, tekenfoutje?
Neem aan dat de voltages gelden voor een juist werkende schakeling.
Er zit 1 scottkey diode in SB340, volgens een componenten tester ok, maar ik meet met een normale multimeter (laag voltage) een weerstand in doorgangsrichting, is dat goed?
Gewone diodes doen dit niet, moet ik hem op diodetest zetten.
Dirk.
Schakelvoeding
door PE9ZZ
, Amsterdam-West, 21-04-2026, 18:56 (25 dagen geleden) @ doktordirk
Gewijzigd door PE9ZZ, 21-04-2026, 19:08
Is die TDA de MOSFETloze versie van die SPH? Pijnpunt zoals al aangegeven is de opstartspanning over C2114. Als die goed is moet er een stuurspanning (blokgolf) voor de MOSFET aan de uitgang van de chip komen. Heb je die?
Tjerk
Schakelvoeding
door doktordirk
, Noordbeemster, 21-04-2026, 19:49 (24 dagen geleden) @ PE9ZZ
Dat klopt, en beter en goeiekoper met losse fet verkrijgbaar dan het andere type.
Vind het ook wel apart dat er geen enkele vorm van koeling wordt toegepast voor dit ic.
Heb net even gekeken bij een ander model van Grundig waar ongeveer dezelfde voeding in zit.
De onderdelen zijn iets anders gerangschikt, en bij het ic is de print wel iets verkleurd, maar het werkt wel.
Dus het is niet zo dat de andere recorder te veel stroom neemt waardoor de voeding er de brui aan geeft.
Zal de Maurice methode eens uitproberen.
Er zit nu overigens geen BUZ90A in maar een IRFBC30 welke compatibel zou moeten zijn.
Dirk.
Schakelvoeding
door electron
, eindhoven, 21-04-2026, 18:55 (25 dagen geleden) @ doktordirk
misschien langzaam op laten komen met gloeilamp en variac.
kijken waar het fout gaat. diodes (schottky) checken op sluiting (ook secundaire kant).
optocoupler circuit moet natuurlijk werken- p.6 zie ik 9.4 EN 11.5v (?).
schottky meten in diode stand- als stuk meestal 0 ohm.
Ben@
Schakelvoeding
door Maurice
, Dordrecht, 21-04-2026, 19:02 (25 dagen geleden) @ doktordirk
Schakelende voedingen zijn mij ook altijd lastig omdat er veel voorwaarde zijn om aan de gang te slaan.
Voeding regelcircuit is de primair zijde onderste spoel.
Om de eerste klap te geven zijn de weerstanden direct vanaf de brugcel
Daarom is die condensator 2114 (47uf/25V) erg belangrijk, die moet net genoeg opgeladen worden
om spul te starten als voeding voor IC.
De optocoupler controleert de secondaire zijde.
Deze bepaald hoe ver de pulsbreedte nodig is (tijd van aan BUZ90A) om voldoende vermogen
te krijgen aan secondaire zijde.
Voor nauwkeurigheid is er TL431
Spoel 16-17 is dus mede de meet spanning of voldoende vermogen in trafo primair toegevoegd is.
Haal die BUZ90A er uit, zodat er geen vermogen overgedragen wordt.
Dan met voeding(regelbaar) aan secondair zijde op elko 2214/2215 zetten
Regel IC van voeding voorzien via veiligheidstrafo.
Bekijk dan of die optocoupler netjes schakelt.Zo even boven de +5V
Dan weet je dat dat stukje goed werkt en dus IC keurig regelt.
Daarvoor datasheet van IC er bij pakken en zie wat daar voor nodig is dat deze uitgang
actief wordt.
Zo puzzel je laag voor laag de fout er uit.
Als laatste ook.
Vergeet niet dat een verkoolde print een hoog Ohmige weerstand geworden is.
Denk dat dat kool de nodige problemen zal geven.
Schakelvoeding
door Robin van Grunsven
, Melle, België, 21-04-2026, 22:18 (24 dagen geleden) @ Maurice
Mooie uitleg Maurice.
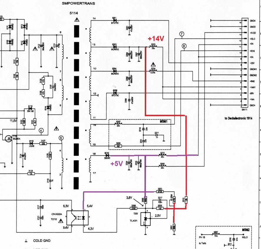
Om het zoals door de voeding-ontwerper bedoeld te laten werken moet er wel ook 14V op de 14V-uitgang gezet worden. Die moet namelijk ook stroom leveren (via 3210) aan het weerstandnetwerkje voor de TL431. Als dat niet gebeurt zal de optocoupler rond een andere spanning dan 5V worden geschakeld.
Met vriendelijke groet,
Robin
Schakelvoeding
door Maurice
, Dordrecht, 22-04-2026, 00:47 (24 dagen geleden) @ Robin van Grunsven
Over hoofd gezien zo snel die 14V lijn.
Ja die wordt dus ook gemeten.
Waardes weerstanden in meet circuit zijn dan ook zo gekozen dat beide de regeling bepalen.
![[image]](images/uploaded/2026042122472269e7fe7aadcac.jpg)
Schakelvoeding
door kris
, Gent, België, 21-04-2026, 23:01 (24 dagen geleden) @ Maurice
Schakelende voedingen zijn mij ook altijd lastig omdat er veel voorwaarde zijn om aan de gang te slaan.
zeker, er zijn wat andere strategieën nodig dan bij een lineaire voeding
De optocoupler controleert de secondaire zijde.
Deze bepaald hoe ver de pulsbreedte nodig is (tijd van aan BUZ90A) om voldoende vermogen
te krijgen aan secondaire zijde.
Het is net iets anders, want dit is een flyback voeding, daar regelt de chip de schakelfrequentie. (hoe hoger de belasting, hoe lager de frequentie)
Schakelvoeding
door Maurice
, Dordrecht, 22-04-2026, 00:45 (24 dagen geleden) @ kris
Oh , Frequentie wijziging, levert in dit geval gewenste vermogen.
Dat is ook een manier om gewenste energie overdracht wat er aan de uitgang , secondair gevraagd wordt.
Vergeet nog, kan zijn dat voeding bij test belast moet worden om goed te werken.
Zonder belasting kunnen die pieken aan uitgang zo hoog zijn dat de boel in beveiliging schiet.
Schakelvoeding [ tda4605= PWM ]
door electron
, eindhoven, 22-04-2026, 02:33 (24 dagen geleden) @ kris
Gewijzigd door electron, 22-04-2026, 02:36
Sorry Kris- maar de tda4605 doet enkel PWM modulatie!
Dus vaste frequentie en bredere puls bij hogere belasting.
En zelfs al was het PFM, dan heb je het verkeerd, want
dan is de pulsbreedte constant, en de frequentie gaat OMHOOG bij hogere belasting.
Kortgeleden nog gezien bij pfm geregelde voeding!
Groet, Ben@
![[image]](images/uploaded/2026042200294869e8167ce009a.png)
Schakelvoeding [ tda4605= PWM ]
door Maarten Bakker
, Haarlem/Delft, 22-04-2026, 13:08 (24 dagen geleden) @ electron
Siemens zelf is het daar niet mee eens. Het kan zijn dat dit per suffix (-3) verschilt.
https://www.alldatasheet.com/datasheet-pdf/view/45813/SIEMENS/TDA4605-3.html
Nominal operation
The switching frequency is reduced with increasing load and decreasing AC-voltage.
The output voltage is only dependent on the load.
Schakelvoeding [ tda4605= PWM ]
door doktordirk
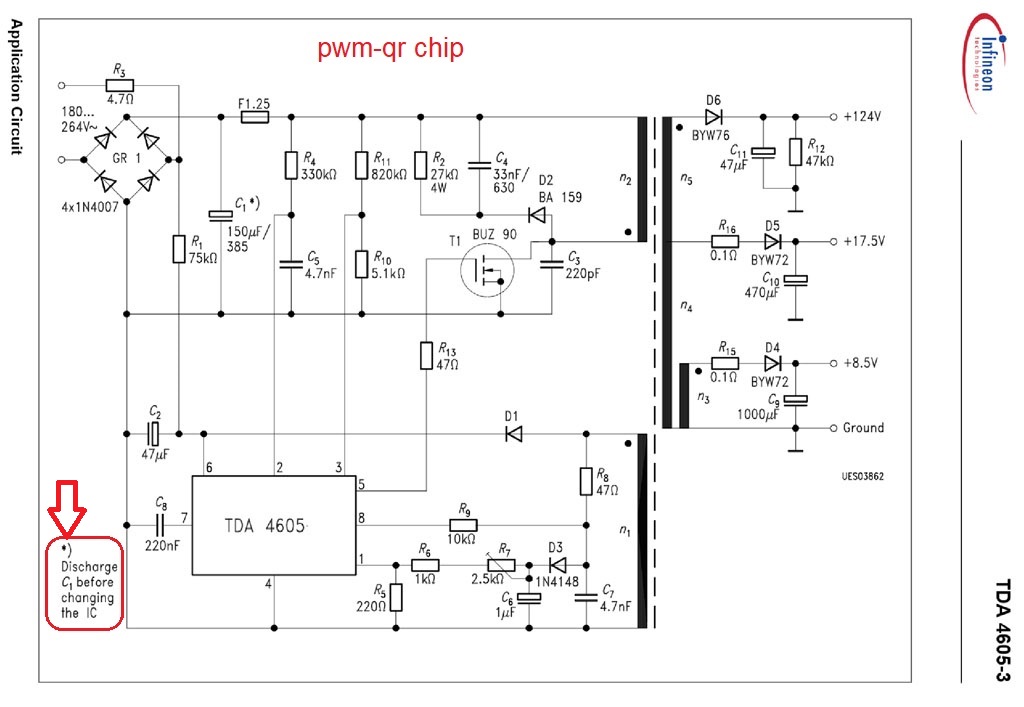
, Noordbeemster, 22-04-2026, 14:37 (24 dagen geleden) @ electron
Dit is de bijbehorende beschrijving van de schakeling
![[image]](images/uploaded/2026042212054469e8b9989a67b.jpg)
Pin 6 komttot nu toe niet hoger dan 6.7volt, maar ik neem aan dat dit hoger wordt als de schakeling werkt.
Verder wel vreemd dat er bij het ic11.5volt staat, en bij de opto 9.4volt.
Met de test van Maurice (14 en 5 volt sec.)aansluiten komt er op pin 4 van de opto wat spanning afhankelijk van de 5volt regeling.
Mag dus aannemen dat deze schakeling werkt.
Verder blijkt het originele ic SPH4690 goed te zijn, zowel het ic-gedeelte als de fet.
Had deze uitgewisseld met een werkende voeding waar deze in zit.
Ook zijn r3112 en 3119 vrijwel exact 33k, zonder een aangesloten ic en met een nieuwe c van 47Uf blijft de spannig ca 6.7 volt, maar dat zal wel hoger worden vermoedelijk (als het werkt!).
Ook een eenvoudige ringtest uitgevoerd, maar daar waren voldoende uitslingeringen te zien, iets meer nog zelfs dan bij het werkende exemplaar.
Uitwisselen van deze trafo is helaas niet mogelijk daar de opbouw totaal verschillend is terwijl het gebruikte schema voor diverse modellen van Grundig geschikt is.
Zo'n beetje alle onderdelen zijn getest en goed bevonden, of ik meet iets verkeerd.
Schakelvoeding [ tda4605= PWM ]
door Robin van Grunsven
, Melle, België, 22-04-2026, 21:32 (23 dagen geleden) @ doktordirk
Gewijzigd door Robin van Grunsven, 22-04-2026, 22:04
"zonder een aangesloten ic en met een nieuwe c van 47Uf blijft de spannig ca 6.7 volt" schrijf je.
Als dat zo is EN je hebt 310V op de net-elco dan moet diode 6115 lekken of de optocoupler (waarschijnlijk in orde volgens test met 5V en 14V op secundaire).
Wat ook nog kan is dat je nieuwe 47uF elco niet in orde is (te hoge lekstroom).
Leg diode 6115 los (eventueel optocoupler ook) en draai met een variac de netspanning op terwijl je de spanning over de 47uF elco met een hoogohmige meter in de gaten houdt (wordt normaal door het IC begrensd!) om te voorkomen dat die boven de werkspanning komt van de elco.
Met de diode en optocoupler los moet je zeker boven 6.7V kunnen geraken. Zoniet: printsporen en solderingen controleren/hersolderen van + net-elco via 2x33k en 47uF naar - net-elco.
Succes!
Robin
Schakelvoeding [ tda4605= PWM ]
door doktordirk
, Noordbeemster, 23-04-2026, 12:23 (23 dagen geleden) @ Robin van Grunsven
Robin, je had gelijk met de diode 6115.
Het is in dit geval een UG06, vind maar eens zoiets.
In de andere voeding zat op eenzelfde plaats een BAV21, en hiermee werkt de schakeling wel.
Op een sloopprint vond ik er nog twee, dus reparatie (eindelijk) geslaagd.
Wat er met deze diode aan de hand is weet ik niet.
Een eenvoudige componenten tester ziet een gewone diode, en met de multimeter meet ie ook normaal in geleiding.
Dirk.
Schakelvoeding [ tda4605= PWM ]
door kris
, Gent, België, 23-04-2026, 13:59 (23 dagen geleden) @ doktordirk
Wat er met deze diode aan de hand is weet ik niet.
Een eenvoudige componenten tester ziet een gewone diode, en met de multimeter meet ie ook normaal in geleiding.
de diode zal last hebben van reverse lek, bij een wat hogere spanning. Het is als het ware een (slechte) zenerdiode geworden, bij ongeveer 6 V.
Zo raakte de TDA4605 niet aan zijn startspanning. (er was al meermaals op gewezen dat die er moet zijn
)
gewone digitale multimeters en componententestertjes zien die fout niet, de aangeboden meetspanning is te laag om die fout bloot te leggen.
Vele analoge meters gebruikten een 9V (de oudere 22,5V) batterij in de hogere Ohmstanden. Daarmee vind je dit soort fouten direct.
Schakelvoeding [ tda4605= PWM ]
door electron
, eindhoven, 22-04-2026, 15:40 (24 dagen geleden) @ electron
Gewijzigd door electron, 22-04-2026, 15:50
eerst buffer elco ontladen voor ic vervangen.?
https://www.alldatasheet.net/datasheet-pdf/view/312913/INFINEON/TDA4605-3.html
pwm-qr ic= puls breedte modulatie, op resonant gelijkend.
het is een pwm besturing. dat is dus niet pfm!. blijft complex.
Ben@
PS. applicatie: moet uit te komen zijn. trafo= meestal ok. is chip wel goed?
![[image]](images/uploaded/2026042213235169e8cbe7799df.jpg)
Schakelvoeding [ tda4605= PWM ]
door kris
, Gent, België, 22-04-2026, 21:53 (23 dagen geleden) @ electron
Gewijzigd door kris, 22-04-2026, 21:54
Sorry Kris- maar de tda4605 doet enkel PWM modulatie!
Dus vaste frequentie en bredere puls bij hogere belasting.
je moet geen sorry zeggen beetje discussie kan geen kwaad, haalt het stof wat vh forum.
AI is veel verstandiger dan alle forumgenoten samen, dat is zeker. maar gratis versies zijn de kneusjes en als die het antwoord niet weet dan gaan ze hallucineren. (te lang in de coffeeshop rond gehangen
)
jouw AI assistent was duidelijk aan het hallucineren...
btw, ik gebruik noch AI noch google om op dit of andere fora te antwoorden.
betreffende de TD4605-3, daar heb ik nu even de datsheet gehaald. Het staat er duidelijk in, free running oscillator, when load goes up, frequency goes down.
Dat is ook logisch want dit is een flyback convertor.
Dat zie je oa omdat er geen smoorspoeltje secundair zitten aan de diodes.
Je kan het ook zien aan de puntjes die de wikkelrichting van de spoelen op de trafo aangeven.
dan is de pulsbreedte constant, en de frequentie gaat OMHOOG bij hogere belasting.
Kortgeleden nog gezien bij pfm geregelde voeding!
Ik had het nergens over PFM, dat is een andere tak van (besparings)sport (die naam bestond nog niet eens toen de TDA4605 gebruikelijk was)
maar bij een simpele flyback heeft frequentieregeling de voorkeur. (je kan het ook zonder chip, twee torren kunnen het al.) aangezien de energie in de kern = CLI² en I zaagtandvorming toeneemt, moet de frequentie wel naar beneden om meer energie in de kern te stockeren.
het is lastig typen in de TGV, sorry tegenwoordig heet dat eurostar.. hij wiebelt nogal..
Schakelvoeding [ tda4605= PWM ]
door electron
, eindhoven, 23-04-2026, 00:24 (23 dagen geleden) @ kris
@Kris- ja, die AI geeft te denken, maar ik neem het toch mee met korreltje zout.
Die schakelvoeding ic's, doen van alles wat- maken het lekker complex! We leren van onze fouten.
@Robin van Grunsven- als die buz90 het begeeft kan de tda4605 ook stuk.
Ook 1n??? (6114) en 10n(211?) in de gaten houden.
Inderdaad met gloeilamp en variac langzaam opdraaien zoals vermeld 21-04-2026, 18:55 .
Dat deed een Philipsmonteur met mijn k40 schakelvoeding ook- toen ik er niet uit kwam.
Bleek dat mijn Veron BU126's(10cent/stuk) allemaal afval waren.
Zijn BU126 was wel goed!
Groet, Ben@
Schakelvoeding [ tda4605= PWM ]
door Maarten Bakker
, Haarlem/Delft, 23-04-2026, 14:18 (23 dagen geleden) @ kris
Nou heeft Infineon zelf die AI ook wel LSD lopen voeren. Op de voorpagina van het datablad staat dat het om een PWM-QR chip gaat.
Schakelvoeding
door Robin van Grunsven
, Melle, België, 21-04-2026, 20:08 (24 dagen geleden) @ doktordirk
Gewijzigd door Robin van Grunsven, 21-04-2026, 20:32
Dirk,
heb je de gelijkgerichte netspanning (circa 310V) over de buffer-C van 385V? Ik heb nl. eens meegemaakt bij een monitor dat die elco capaciteitsloos was. De spanning over elco 2114 kan dan natuurlijk ook nooit hoog genoeg worden om het IC te laten opstarten.
Verder willen de opstartweerstanden (hier 2x 33k) weleens oplopen, waardoor elco 2114 niet voldoende geladen geraakt. Uitsolderen (zoniet geeft meetfouten) en controleren. Je kan dit ook zien op een oscilloscoop: blijft de spanning te laag en statisch wordt er of teveel stroom door het IC gevraagd ofwel zijn de weerstand(en) in waarde opgelopen. Probeert het IC op te starten dan zie je over 2114 een spanning die stijgt (laden 2114) en inzakt (IC start op en pulst FET).
MvG Robin
Schakelvoeding
door Maarten Bakker
, Haarlem/Delft, 21-04-2026, 20:21 (24 dagen geleden) @ doktordirk
Zonder de andere antwoorden te lezen maar uit ervaring: secundaire gelijkrichters testen op kortsluiting.
Schakelvoeding
door kris
, Gent, België, 21-04-2026, 23:04 (24 dagen geleden) @ Maarten Bakker
Zonder de andere antwoorden te lezen maar uit ervaring: secundaire gelijkrichters testen op kortsluiting.
Idd.
En dan met de scoop kijken of de gate van de schakelfet al dan niet een eerste puls krijgt. Als dat heel snel ophoudt kan het een protectie zijn door ergens een sluiting (voeding hierbij via de scheidingstrafo aansluiten, en bij iedere meetpoging eerst de primaire elco ontladen.
voor wij hem heeft, ook hier kan je de ringtester gebruiken. en anders een blokgolfoscillator..
Schakelvoeding
door Anton van den Oever
, Hazerswoude-dorp, 21-04-2026, 21:50 (24 dagen geleden) @ doktordirk
Ik heb hier een probleempje met een schakelende voeding.
Ben begonnen met een electroliet te vervangen (volgens sommigen ALTIJD! het probleem).
Hier niet dus.
Ik weet welke je hebt vervangen, maar ik heb 2 x eerder bij een soortgelijke voeding een capaciteitsloos elco'tje (die 47µF of 4µ7 aan de onderzijde van de deler) gehad.
Weliswaar waren die niet zo gehavend als de jouwe, maar even nazien zou ik zeker doen.
m.vr.gr.
Anton van den Oever
Schakelvoeding
door doktordirk
, Noordbeemster, 21-04-2026, 23:09 (24 dagen geleden) @ doktordirk
Bedankt voor alle reacties tot nu.
Ik ga nu even op een oor liggen, en morgen met frisse moed de aangedragen ideeen uitproberen.
Dirk.