VCA chip, vervanging voor potmeter (Algemeen)

door Marotick ⌂ @, Huizen, 14-12-2025, 15:00 (76 dagen geleden)

Beste iedereen, ik zoek voor oude Revox bandrecorders vervanging voor de krakende volume potmeters. Ik probeer die altijd weer werkend te krijgen maar dat lukt niet altijd maar vaak lukt het wel om 1 sectie toch werkend te krijgen al was het maar door een instelpotje te monteren.

Ik zoek al geruime tijd een chip die een variabele weerstand creëert bij het aansturen van een gelijkspanning. Die potmeters in een chip zijn er veel maar die worden dan aangestuurd door I2C systemen en dat wordt dan wel een hele operatie.
In een Revox mixer zit een DBX2150A chip die alleen nog in China te koop is voor ca 30 euro.
Dat kan natuurlijk wel maar het lijkt me dat het ook anders en goedkoper kan.
Heeft iemand ideeën of een oplossing?

Jack Marotick

VCA chip, vervanging voor potmeter

door Ben ⌂ @, Dijkdorp, 14-12-2025, 15:29 (76 dagen geleden) @ Marotick

Denk zo snel iets met een LM3914/15 met weerstandjes i.p.v. leds.
Groet, Ben

VCA chip, vervanging voor potmeter

door electron @, eindhoven, 14-12-2025, 16:27 (76 dagen geleden) @ Ben
Gewijzigd door electron, 14-12-2025, 16:45

ja.. welke Revox?:ng
Dat kraken komt door gelijkstroom die je met factor 100x kan verkleinen
met een transistor en weerstand- kost niks tot 1 euro- afhankelijk van schema! Werkte bij mij!
En trouwens waarom goede chip vervangen...
Ben@
[image]

VCA chip, vervanging voor potmeter

door Harry59 ⌂ @, Zulte, 14-12-2025, 18:54 (76 dagen geleden) @ Marotick

Zoek eens op TCA730. Er stond heel lang geleden een artikel in Elektuur samen met de TCA740. KLIK

VCA chip, vervanging voor potmeter

door Hersteller @, Haarlem, 14-12-2025, 20:16 (76 dagen geleden) @ Harry59
Gewijzigd door Hersteller, 14-12-2025, 20:18

Waren toen leuke chips, maar met een hele slechte S/N. Zeg maar cassette zonder dolby.

VCA chip, vervanging voor potmeter

door Marotick ⌂ @, Huizen, 14-12-2025, 21:19 (76 dagen geleden) @ Harry59

Dat ziet er leuk uit.
Ik ga dat eens proberen maar eerst kijken of die IC's nog ergens te koop zijn.
De specificaties zijn ook mooi zag ik in de data sheet.
Recht van 20 tot 20.000 Hz binnen 1 dB en weinig ruis -67dB

Jack

VCA chip, vervanging voor potmeter

door Hersteller @, Haarlem, 14-12-2025, 21:39 (76 dagen geleden) @ Marotick
Gewijzigd door Hersteller, 14-12-2025, 21:48

De iets betere S/N is de 730A. Tegenwoordig is 90dB normaal.

VCA chip, vervanging voor potmeter

door Maarten Bakker ⌂ @, Haarlem/Delft, 14-12-2025, 23:06 (76 dagen geleden) @ Marotick

Als je geluk hebt nog te vinden als A273D en A274D, fabrikaat HFO.

VCA chip, vervanging voor potmeter

door MarcelvdG @, 14-12-2025, 22:12 (76 dagen geleden) @ Marotick

Hele goede VCA's voor studiotoepassingen, voor zover die nog niet digitaal geworden zijn, vind je bij THAT corp.:

https://thatcorp.com/blackmer-voltage-controlled-amplifier-ics/

Het zijn geen 1:1 vervangingen voor potmeters, maar dat geldt ook voor die TCA730.

VCA chip, vervanging voor potmeter

door bachphu @, 15-12-2025, 18:17 (75 dagen geleden) @ Marotick

Natuurlijk, er zijn een aantal alternatieven die je kunt overwegen. Als je een variabele weerstand zoekt die je kunt bedienen zonder de complexiteit van een I2C-systeem, kun je kijken naar digitale potentiometers die worden aangestuurd via PWM of eenvoudige analoge signalen. Bijvoorbeeld een chip zoals de MCP4017 of vergelijkbare modellen zouden een oplossing kunnen bieden, en die liggen vaak in een lagere prijsklasse dan de DBX2150A. Daarnaast, als je flexibiliteit wilt, kun je overwegen om een kleine microcontroller zoals een Arduino te gebruiken om een digitaal signaal om te zetten naar een analoge variabele weerstand. Het klinkt misschien ingewikkeld, maar dat kan in veel gevallen verrassend eenvoudig en kostenbesparend zijn. Hopelijk biedt dit wat inspiratie!

VCA chip, vervanging voor potmeter

door bachphu @, 22-12-2025, 15:07 (68 dagen geleden) @ bachphu

Een andere optie om te overwegen is het gebruik van een optocoupler in combinatie met een digitaal circuit. Hiermee kun je een galvanische scheiding realiseren tussen verschillende delen van je project, wat bijzonder handig kan zijn bij gevoelige analoge signalen. Optocouplers zijn niet alleen betaalbaar, maar ook relatief eenvoudig te implementeren in een bestaand ontwerp. Dit kan vooral nuttig zijn voor toepassingen waarbij veiligheid of signaalintegriteit een belangrijke rol speelt. Zorg er wel voor dat je de juiste specificaties selecteert afhankelijk van de spanning en stroom in je schakeling.

VCA chip, vervanging voor potmeter

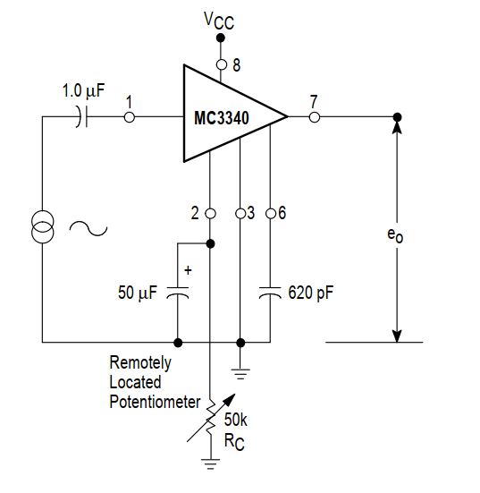
door Goldline @, Oranjedorp, 15-12-2025, 18:42 (75 dagen geleden) @ Marotick

Om een 6 voudige motorpotmeter te creëren, heb ik dit ic gebruikt, wel kritisch met de juiste regelspanning :
[image]

--
Cees PA1DBA

VCA chip, vervanging voor potmeter

door Marotick ⌂ @, Huizen, 16-12-2025, 17:22 (74 dagen geleden) @ Marotick

Iedereen bedankt voor het meedenken.
De MCP4017 leek een goede en is ook nog verkrijgbaar bij Reichelt maar dat is ook een volumeregelaar die met I2C werkt en dat lijkt me zonder veel elektronica een onhaalbare taak of kan dat ook uit een enkel chippie komen?
Zelf heb ik de V2164 gevonden. Dat is weliswaar een 4 voudige volume regelaar, moeilijker te verkrijgen maar wel weer makkelijk toepasbaar.

Jack Marotick

VCA chip, vervanging voor potmeter

door electron @, eindhoven, 16-12-2025, 18:29 (74 dagen geleden) @ Marotick
Gewijzigd door electron, 16-12-2025, 18:31

Of je nou analoog-golfschakelaar-digitaal volume regelt.
Het knopje voor de volume (ook bij digitaal!) gaat op den duur kraken- en moet logaritmisch zijn ook!
Zolang je geen Telekinese kunt gebruiken- zonder knoppen aan te raken blijft dat zo! :-D Zo'n emitter volger werkt!
Ben@

powered by my little forum