Amerikaanse Yamaha equalizer (Algemeen)
Peter,
Er zit een hele simpele 16Vac in trafo in.
Met er achter een heel eenvoudig gelijkricht voeding.Dus zoek een passende 230V/16V trafo die inbouwen en je bent klaar.
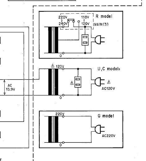
Uit de Yamaha EQ-70 service manual:
Dat is de beste optie.
De trafo's zijn in Amerika krapper berekend i.v.m. 60HZ.
Voor je de juiste spanning toe maar dan bij 50Hz, wordt de originele trafo toch te warm.
Complete draad:
- Amerikaanse Yamaha equalizer -
mrP,
03-03-2026, 19:48
- Amerikaanse Yamaha equalizer - Goldline, 03-03-2026, 20:21
- Amerikaanse Yamaha equalizer -
Maurice,
03-03-2026, 21:22
- Amerikaanse Yamaha equalizer - soundman2, 03-03-2026, 22:50
- Amerikaanse Yamaha equalizer - ewoud, 03-03-2026, 21:38
- Amerikaanse Yamaha equalizer - ewoud, 03-03-2026, 21:46
- Amerikaanse Yamaha equalizer -
Hersteller,
04-03-2026, 00:27
- Amerikaanse Yamaha equalizer - Gerard in Zeist, 05-03-2026, 11:23
![[image]](images/uploaded/2026030320215769a742e5b3888.jpg)