Philps Pro12-Capstanmotor (Algemeen)

door Maurice ⌂ @, Dordrecht, 11-02-2026, 18:21 (6 uur en 15 minuten geleden) @ Maurice

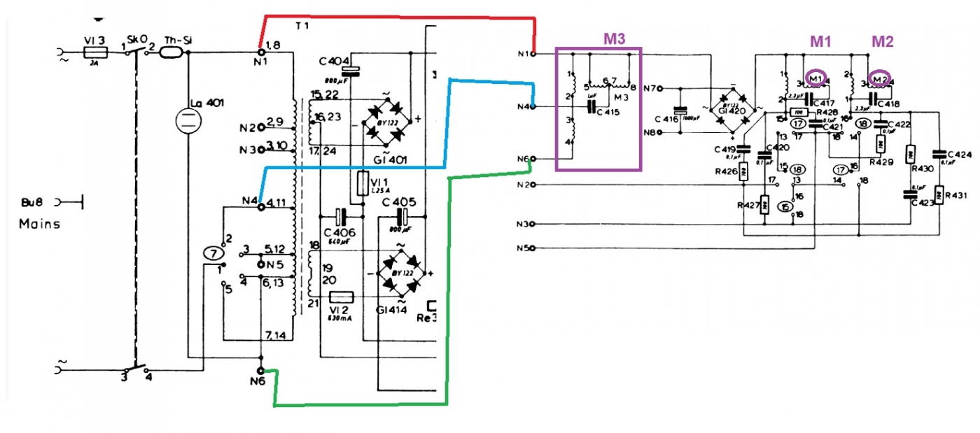
M3 de capstanmotor start direct als netschakelaar an gaat.

Aangesloten op 2 spoelen van de voedingstrafo.
N1-N4-N6

Ik denk 2x 110V
N1-N4 = 110V
N4-N6 =110V


Controleer dat eerst.

N4 gaat direct door naar C415 (Dus niet ook naar knoop 2-3)
Ik zie immers geen bolletje getekend op kruising 2-3.

Spoel 1-2 staat in serie met 2-3

Spoel 5-6 en 7-8 ook in serie waarbij midden 6-7 ook C415 zit.

Vliegwiel wordt afgeremd en strak op toeren gehouden via die koperen schijf.
Deze remt de motor, motor draait iets sneller zonder belasting.
Dit door permanente magneten.
Deze kunnen afgesteld worden, lees hieronder de beschrijving.

[image]

[image]


Complete draad:

 RSS Feed van berichtenreeks

powered by my little forum